Каталог товаров

Смесительный узел серии СУ-R, СУ-F

Смесительные узлы предназначены для подключения водяных теплообменников к источнику тепловой энергии.
СДЕЛАНО В РОВЕН
Описание товара
Характеристики моделей
Купить

Смесительные узлы СУ предназначены для подключения водяных теплообменников к источнику тепловой энергии и выполняют следующие функции: 

- регулирование мощности теплообменника для поддержания заданной температуры воздуха, проходящего через него;
- управление параметрами теплоносителя для поддержания заданной температуры воды (незамерзающей смеси) в теплообменнике;
- обеспечивают циркуляцию теплоносителя через теплообменник, для предотвращения замораживания теплоносителя и поддержания заданных температурных параметров;
- отображение параметров температуры и давления теплоносителя. 

Теплоноситель, протекающий через узел, не должен быть вязким, содержать твердых примесей, минеральных масел и агрессивных химических веществ, способствующих коррозии или химическому разложению меди, латуни, нержавеющей стали, цинка, пластмасс, резины, чугуна. 

Максимально допустимые эксплуатационные параметры теплоносителя: 

- максимально допустимая температура теплоносителя на входе: +110°С;
- максимально допустимое давление: 1 МПа;
- минимальное рабочее давление: 20 кПа.

Установка смесительных узлов допускается в отапливаемых помещениях с температурой от +5 °С до +40 °С и относительной влажностью не более 40 % при температуре +40 °С.
По отдельному заказу возможно изготовление комплекта гибких соединений (подводок) для облегчения монтажа смесительных узлов. 

Смесительный узел с трехходовым регулирующим краном

Смесительные узлы СУ-R-3_схема.jpg 

Принцип работы основан на плавном закрытии или открытии трехходового регулирующего крана при сохранении постоянного расхода теплоносителя через теплообменник, но при этом изменяется температура в подающем трубопроводе за счет смешивания потоков обратного и подающего теплоносителя в трехходовом кране. Благодаря такому регулированию обеспечивается защита от замораживания теплоносителя и поддержание температуры воздуха после калорифера в системе вентиляции.
Посредством байпасной линии происходит разгрузка трехходового клапана по давлению, а также обеспечивается постоянство расхода в тепловой сети.



Файлы
Смесительные узлы СУ-R, СУ-F.pdf

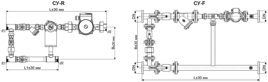
Габаритные размеры смесительных узлов

Смесительные узлы СУ-R_чертеж.jpg

Наименование

L, мм

L1, мм

B, мм

d1, дюймы

d2, дюймы

DN, мм

Масса, кг

СУ-R-3-40-1.0/24

530

285

180

G 3/4

G 1

-

6,7

СУ-R-3-40-1.0/24 ТМ

590

345

180

G 3/4

G 1

-

7

СУ-R-3-40-1.6/24

530

285

180

G 3/4

G 1

-

6,7

СУ-R-3-40-1.6/24 ТМ

590

345

180

G 3/4

G 1

-

7

СУ-R-3-40-2.5/24

530

285

180

G 3/4

G 1

-

6,7

СУ-R-3-40-2.5/24 ТМ

590

345

180

G 3/4

G 1

-

7

СУ-R-3-40-4.0/24

530

285

180

G 3/4

G 1

-

6,7

СУ-R-3-40-4.0/24 ТМ

590

345

180

G 3/4

G 1

-

7

СУ-R-3-60-4.0/24

530

285

180

G 3/4

G 1

-

6,7

СУ-R-3-60-4.0/24 ТМ

590

345

180

G 3/4

G 1

-

7

СУ-R-3-60-6.3/24

580

320

200

G 1

G 1

-

8

СУ-R-3-60-6.3/24 ТМ

640

380

200

G 1

G 1

-

8,4

СУ-R-3-80-6.3/24

580

320

200

G 1

G 1

-

9,7

СУ-R-3-80-6.3/24 ТМ

640

380

200

G 1

G 1

-

10,1

СУ-R-3-80-10/24

660

380

245

G1 1/4

G1 1/4

-

13

СУ-R-3-80-10/24 ТМ

730

450

245

G1 1/4

G1 1/4

-

13,7

СУ-R-3-80-16/24

660

380

245

G1 1/4

G1 1/4

-

13,7

СУ-R-3-80-16/24 ТМ

730

450

245

G1 1/4

G1 1/4

-

14,4

СУ-R-3-80-25/24

660

400

290

G1 1/4

G1 1/4

-

14

СУ-R-3-80-25/24 ТМ

730

470

290

G1 1/4

G1 1/4

-

14,7

СУ-F-3-120-40/24

1620,5

-

763

-

-

65

140

СУ-F-3-120-40/24ТМ

1620,5

-

763

-

-

65

140,4

СУ-F-3-120-63/24

1694

-

763

-

-

65

152

СУ-F-3-120-63/24 ТМ

1694

-

763

-

-

65

152,4

Технические характеристики смесительных узлов

Наименование

Пропускная способность крана, Kvs, м3

Параметры насоса

Параметры управляющего привода

Мощность макс, Вт

Напряжение питания, В

Ток макс, А

Напряжение питания, В

Мощность, Вт

Управляющий сигнал

СУ-R-3-40-1.0/24

1

72

220

0,31

24 AC/DC

2

0-10В постоянного тока

СУ-R-3-40-1.0/24 ТМ

СУ-R-3-40-1.6/24

1,6

СУ-R-3-40-1.6/24 ТМ

СУ-R-3-40-2.5/24

2,5

СУ-R-3-40-2.5/24 ТМ

СУ-R-3-40-4.0/24

4

СУ-R-3-40-4.0/24 ТМ

СУ-R-3-60-4.0/24

4

93

0,4

СУ-R-3-60-4.0/24 ТМ

СУ-R-3-60-6.3/24

6,3

СУ-R-3-60-6.3/24 ТМ

СУ-R-3-80-6.3/24

6,3

270

1,2

5

СУ-R-3-80-6.3/24 ТМ

СУ-R-3-80-10/24

10

СУ-R-3-80-10/24 ТМ

СУ-R-3-80-16/24

16

СУ-R-3-80-16/24 ТМ

СУ-R-3-80-25/24

25

СУ-R-3-80-25/24 ТМ

СУ-F-3-120-40/24

40

700

380

1,3

10

СУ-F-3-120-40/24 ТМ

СУ-F-3-120-63/24

63

1600

1,6

СУ-F-3-120-63/24 ТМ

Характеристики смесительных узлов

Смесительные узлы СУ-R_характеристики 1.jpg

Смесительные узлы СУ-R_характеристики 2.jpg

Смесительные узлы СУ-R_характеристики 3.jpg

Электрическая схема подключения

Смесительные узлы СУ-R_элсхемы.jpg

Смесительные узлы СУ-R_маркировка.jpg

Пример подбора смесительных узлов

Для подбора смесительного узла нужно знать необходимый расход теплоносителя в м3/ч и суммарные потери давления в нагревателе в кПа, на основе этих данных по вышеприведенным графикам подбираем смесительный узел так, чтобы точка нагревателя (расход, давление) находилась ниже и левее одной или несколько линий графика смесительного узла, оптимально в зоне двух третьих характеристики, ближе к правому краю.

Смесительные узлы СУ-R_пример подбора.jpg

Пример подбора:

Допустим, после расчетов требуемый расход воды для трехрядного нагревателя TFT 600.350.3 равен 1,8 м3/ч, при этом расходе потери давления по воде для данного нагревателя составляют 11 кПа (точка 1 на графике СУ-R-3-60-4.0/24). Оптимально для рассматриваемого примера подойдет смесительный узел СУ-R-3-60-4.0/24, при этом, так как точка потерь в нагревателе (точка 1, см график) располагается выше графиков первой и второй скорости работы насоса смесительного узла, то реальная рабочая точка системы нагреватель-смесительный узел (без учета гидравлических потерь в соединительных элементах между смесительным узлом и нагревателем) примет положение (точка 2) и будет равна расходу ≈ 1,9 м3/ч, давлению ≈ 13кПа.


Не представленные в наличии модели доступны к поставке под заказ

Оповестить о поступлении

Спасибо за обращение!
Наш менеджер свяжется с вами.

Всю необходимую информацию также можно получить по телефону «горячей линии»

+ 7 800 200 93 96

или по телефону

+7 800 505 08 67 получить консультацию